|
產品名稱:FQ41F46襯氟放料球閥
產品型號:FQ41F46
產品口徑:DN15~DN300
產品壓力:1.6Mpa~6.4Mpa
產品材質:鑄鋼、不銹鋼
產品口徑:DN15~DN300
產品壓力:1.6Mpa~6.4Mpa
產品材質:鑄鋼、不銹鋼
產品名稱:襯氟放料球閥 產品型號:FQ41F46 公稱通徑:DN15~DN300結構形式:球形公稱壓力:1.6Mpa~6.4Mpa連接方式:法蘭適用溫度:≤450ºC驅動方式:手動、氣
產品說明FQ41F46襯氟放料球閥適用在-50℃~150℃的各種濃度的王水、硫酸、鹽酸、氫氟酸和各種有機酸、強酸、強氧化劑,F(xiàn)EP還適用于各種濃度的強堿有機溶劑以及其它腐蝕性氣體、液體介質的管路上使用。為各種強腐蝕性介質的啟閉控制而設計,閥門的兩端法蘭大小不等,一端為標準法蘭一端為與反應釜底放料孔配套的法蘭,很方便的就可以連接在反應釜底。其結構形式為浮動直通式,連接形式為法蘭,閥外殼采用碳鋼內襯氟塑料,閥球為與閥桿一體式金屬嵌件外包氟塑料工藝制造,具有耐腐密封性好、啟閉靈活、快速的特點且外型美觀、強度高、經久耐用。產品特點采用軟密封密封及襯氟工藝,密封性能可靠2、體積小、重量輕、結構簡單、流阻小、安裝維修方便 3、FQ41F46襯氟放料球閥采用電動控制非常方便,無需要借助人力,直接操作按鈕即可 4、耐腐蝕:閥體內腔及理體均包襯2.5-3mm厚的F46,能耐酸、堿,氨氣、鹽水等強腐蝕介質。 主要零部件材料
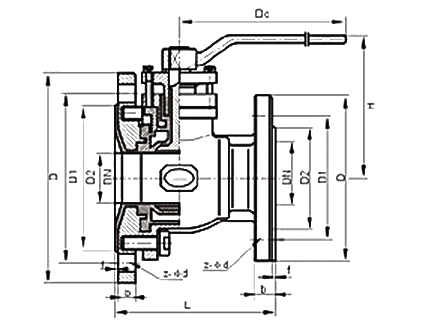
外形結構圖![]() 主要外形連接尺寸
|
||||||||||||||||||||||||||||||||||||||||||||||||||||||||||||||||||||||||||||||||||||||||||||||||||||||||||||||||||||||||||||||||||||||||||||||||||||||||||||||||||||||||||||||||||||||||||||||||||||||||


關注官方微信